Сообщаем, что из-за повышения стоимости сырья, комплектующих и транспортировки мы вынуждены, одними из последних...
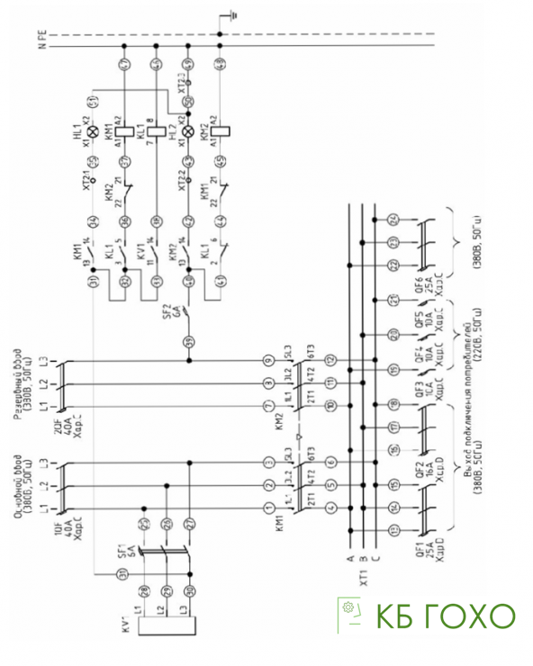
ГОХО ПЭСПЗ с АВР С.Г.6 (ГОХО НКУ ПЭСПЗ с АВР 380/40-2/ 1*25А3р(Dm);1*16А3р(Dm);3*10А1р(С);1*25А3р(С)-54-УХЛ4) является НКУ для питания электроприемников СПЗ на объектах, которые отнесены к первой категории по надежности электроснабжения, Это оборудование применяется в соответствии с требованиями нормативных документов, в частности, СП 6.13130.
НКУ предназначено для питания Трехфазных приемников. Снабжено устройством автоматического ввода резерва.
Вводные АВ номиналом 40А три фазы, характеристика "C". Отходящие три линии 380В 25A(хар.D, без тепл. расцеп); 16A(хар.D, без тепл. расцеп) 25A (хар.С) и три однофазных 10A(хар.С).








